
實驗系統
圖中提供了實驗系統的照片。該系統用于地面實驗和微重力拋物線飛行實驗。除高壓氣瓶外,所有系統組件都安裝在1.4米×0.8米×1米(長×寬×高)8020鋁框架中。在飛行實驗中,這個高度集成的熱流體系統安裝在ZERO-G公司的波音727-200F飛機19的地板上,在模擬微重力環境中進行拋物線飛行艙冷卻實驗。通過以拋物線軌跡飛行飛機來實現重力降低,每條拋物線提供約17-20秒的重力降低時間(10-2g)。
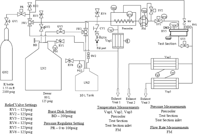
實驗裝置由四個基本流體單元以及輔助部件、流體管道和儀器組成。流體管道示意圖和儀表圖如圖2所示。80-L雙壁低溫杜瓦將液氮供應給過冷器(也稱為預冷器)和測試段,以進行儲罐冷卻測試,并在實際儲罐冷卻測試之前為測試段上游的所有流體組分提供液氮進行預冷。在實驗之前,chart-mve80升杜瓦瓶通過液氮填充口用來自標準空氣氣MVE180升杜瓦瓶的工業級液氮加滿。過冷器本質上是一個簡單的殼管式換熱器(圖3),它有兩個功能。第一種方法是在液氮進入測試段之前對其進行過冷,從而可以確定進入測試段的液體的熱力學狀態。在過冷器運行期間,過冷器的內管完全浸沒在殼側的液氮浴中。由于壓力傳感器測量的管內壓力總是高于殼側的壓力,因此液氮浴總是比管內冷。因此,熱量從管側的液體中被移除。第二個功能是在試驗段上游部件的預試驗冷卻過程中保存液氮。殼程產生的蒸汽通過重力分離,并排放到系統外部。

流體網絡的閥門和重要部件。還包括安全閥設置、爆破片設置和壓力調節器設置。BD爆破片、BV球閥、CV止回閥、FM流量計、GN2氣態氮、GV截止閥、LN2液氮、NV針閥、PG壓力表、PR壓力調節器、PT壓力傳感器、RV安全閥、SV電磁閥、TC熱電偶、Vap汽化器、3V三通閥。